Die Trig TX56 und TX57 Navigations-/ Kommmunikationsinstrumente bieten die ideale Grundlage für die Modernisierung bereits vorhandener Flugzeugelektronik oder zur Ausstattung Ihres neuen Flugzeugs. Beide Nav-/Com-Modelle haben ein technisch ausgefeiltes Gehäuse, was sie schmal und zugleich hocheffizient macht. Mit einer Höhe von nur 33mm sind sie platzsparend und bieten gleichzeitig jedem Piloten eine beeindruckende Auswahl praktischer Funktionen. Ob Sie ein VFR-Pilot sind und ein zusätzliches VORNavigationsgerät zur Absicherung wünschen, eine Flugschule auf der Suche nach einer leicht bedienbaren Schulungsplattform, oder ein professioneller VFR-/IFR-Anwender, der nach einer verlässlichen digitalen Lösung sucht: Die „Better by Design“- Philosophie von Trig hat ein Nav-/Com-System geschaffen, das all
diese Anforderungen erfüllt – für eine verbesserte Navigation und Kommunikation während jeder Flugphase.
Einfache Installation
Das flache Design des TX56 und TX57 erfordert keine externen Kühlungsventilatoren. Die Geräte sind so konzipiert, dass sich Vorgängermodelle problemlos ersetzen lassen, inbegriffen die populären KX155A- und SL30-Modelle.
Wichtige Leistungsmerkmale
Das TX56 verfügt über ein 10 Watt starkes Com-Radio und ist somit für die allgemeine Luftfahrt geeignet. Das TX57 verfügt mit 16 Watt über ein leistungsstärkeres Com-Radio für eine noch höhere Sendeleistung.
Beide Geräte haben ein gut ablesbares Display, das sowohl Navigations- als auch Kommunikationsfrequenzen und -kennungen anzeigt. Maximale Klarheit wird durch das Hervorheben des jeweils aktiven Nav- und Com-Modus erzielt.Der einzigartige „Push Step“-Drehknopf ermöglicht einen schnellstmöglichen Wechsel zwischen Sprachkanälen, sodass Sie sich während der Kommunikation ganz aufs Fliegen konzentrieren können. Das Dual-Watch-Feature erlaubt es außerdem, zwei Navoder Com-Frequenzen gleichzeitig zu überwachen – so, als hätten Sie zwei Radios. Die Com-Funktionen ermöglichen es darüber
hinaus, kürzlich gespeicherte oder auf einem kompatiblen, aktiven GPS-Track angezeigte Datenfrequenzen auszuwählen. Das Radio verfügt auch über Trigs „Say Again“-Technologie – die erneute Wiedergabe der letzten Übertragung mit einem einzigen Knopfdruck. Der Com-Modus hat außerdem ein eingebautes 2-Wege-Intercom mit Eingängen für Stereomusik und zusätzliche Audio-Warnungen. Der Nav-Receiver ist für eine problemlose Bedienung optimiert. Sowohl der TX56 als auch der TX57 identifizieren VORs oder ILS durch die Entschlüsselung von Morsezeichen. Der Nav-Receiver kann außerdem ein zweites VOR überwachen, wodurch die Navigation erheblich verbessert wird. Das bedeutet, dass zusätzlich zum primären VOR ein weiteres Standby-VOR-Radial angezeigt werden kann, sodass der Pilot seine genaue Position schnell bestimmen kann. Die Anzeige verfügt über eine grafische Kursabweichungsnadel (Course Deviation Indicator, CDI), die es dem Piloten ermöglicht, ohne eine externe CDI zu navigieren. Der TX56 bietet außerdem Unterstützung verschiedener Display-Optionen für eine Reihe externer Cockpit-Instrumente. Sobald eine Frequenz eingestellt ist, kann der Nav-Receiver die gewählte VOR automatisch mittels Entschlüsselung des Morsesignals identifizieren. Für eine einfache Navigation zeigt die automatische Zentrierung des CDI die direkte Peilung zu einem ausgewählten VOR, während mit dem To/From-Knopf das Inboundoder Outbound-Radial angezeigt wird.
Integrationsvorteile
Der Vorteil des Nav-/Com-Geräts von Trig liegt im eingebauten VOR-/LOC-Converter, der außerdem einen Verbundausgang unterstützen kann. Dies ermöglicht die größtmögliche Kompatibilität mit installierten Anzeigen. Zusätzlich zur Unterstützung digitaler EFIS- und PFD-Anzeigen können der TX56 und der TX57 mit einem Remote-DME verbunden werden. Beide Einheiten unterstützen außerdem die ILS- Anflugtechnologie und sind mit verschiedenen Navigationsanzeigen kompatibel. Die Fähigkeit, das Nav-/Com-Instrument mit einem passenden GPS (Garmin-Protokoll) zu verbinden, ermöglicht die automatische
Anzeige von Frequenzen entlang einer Flugroute. Und schließlich kann über den praktischen USB-Port eine konfigurierbare Datenbank mit mehr als 200 Com- und mehr als 200 Nav- Frequenzen und -Kennungen geladen werden.
Technische Daten
- 8,33 und 25 kHz Zertifiziert
- Zertifizierung ETSO 2C128, 2C169a, 2C34f, ETSO 2C36f, 2C40c, TSO-C128a, C169a, C34e, TSO-C36e, C40c
- Compliance ED-23C, ED-67, DO-186B, DO-178B Level B, DO-160G, DO-254 Level C DO-160B/G
- Versorgungsspannung (DC) 22-33 V
- Typischer Stromverbrauch im Empfangsbetrieb bei 28V – 175 mA, max. im Sendebetrieb bei 28V – 3,8A
- Nominale Sendeleistung 16 W
- Betriebstemperatur -20 °C bis 55 °C
- Kühlungsbedarf: Kein Lüfter erforderlich
- Gewicht 1,1 kg 0,59 kg
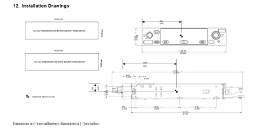
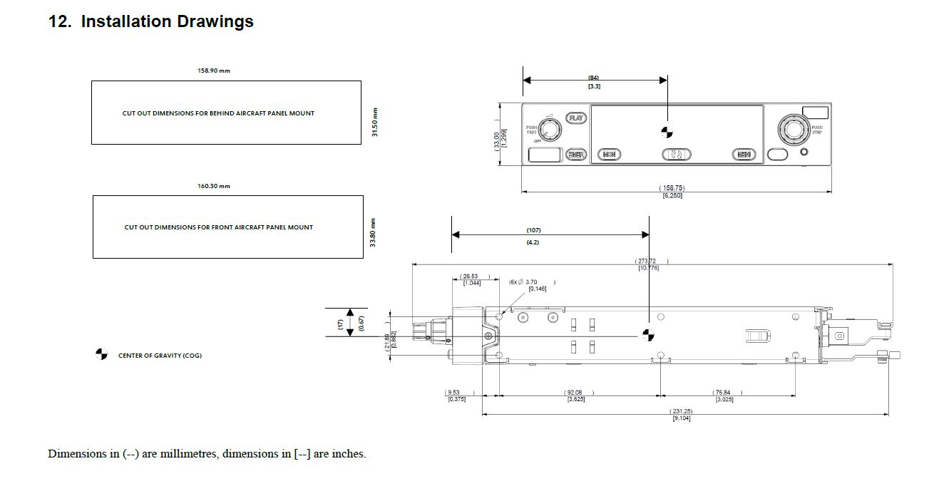
- Frontmaße H 33mm x B 159mm
- Produktmaße (im Schacht) H 33mm x B 159mm x L 230mm